消防接口技术条件 GB12514-2026




附录C(规范性) 螺纹式接口结构
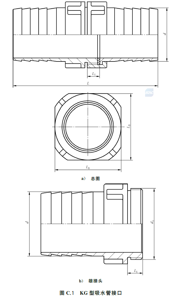
螺纹式接口的结构应符合图C.1~图C.5的规定。





目录
返回
上节
下节
- 上一节:附录B(规范性) 卡式接口结构
- 下一节:没有了
